Federal Military Parts (612) 440-8877
MS75021-1 -- 12 دبوس 24V براس افينول المقبس الكهربائية للسيارات العسكرية بما في ذلك همفي
Couldn't load pickup availability
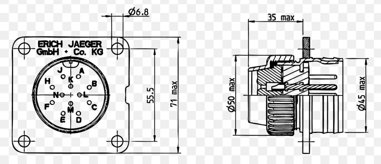
أمفينول مقطورة شنت وعاء. MS75021-1، أرقام بديلة 2HA24، 7525173، 60-036028-51P. NSN 5935008463883.
تعليمات الأسلاك:
معلومات الأسلاك العسكرية القياسية للمركبات (يتم وضع علامة على الحروف بجوار جهات اتصال الموصل)
A، C، H - أضواء ذيل التعتيم وأضواء إزالة التعتيم (يتم توصيل جميع الدبابيس الثلاثة كهربائيًا معًا داخل تسخير الأسلاك في السيارة)
B - ضوء الفرامل واليسار بدوره إشارة الضوء
D - الأرض
E - أضواء الذيل / أضواء إزالة
F - ضوء الفرامل التعتيم
J - ضوء الفرامل وبدوره الأيمن ضوء إشارة
K - تغذية الطاقة auxillary المستخدمة على شبه جرار فقط
L، M، N - غير مستخدم

