Federal Military Parts (612) 440-8877
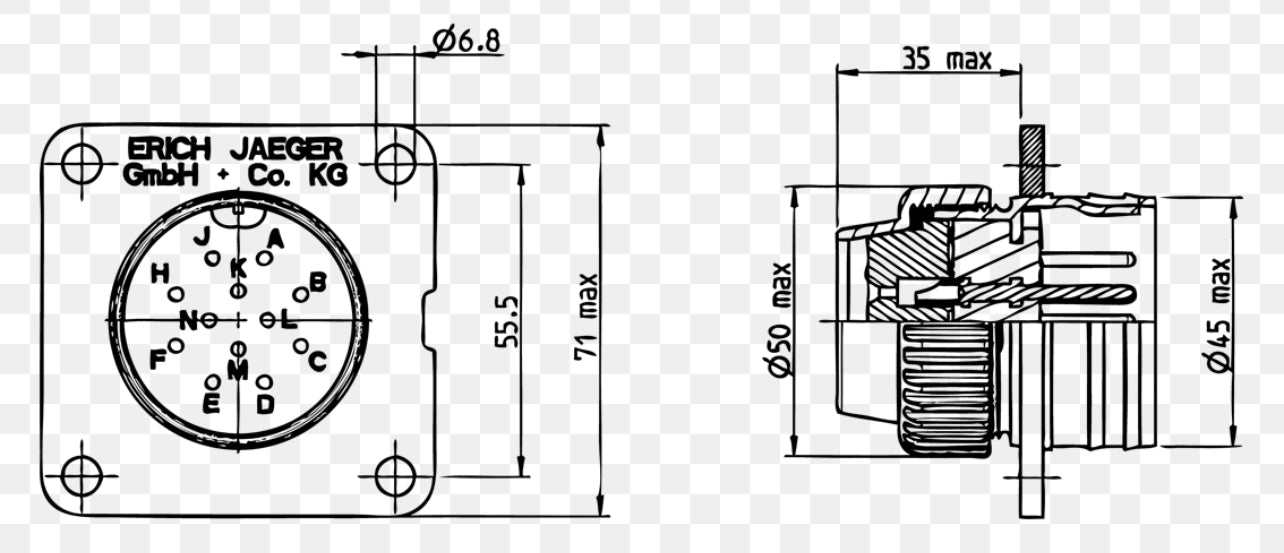
MS75021-1 - 12 PIN 24V Amphenol en laiton Prise électrique pour véhicules militaires, y compris Humvee
Impossible de charger la disponibilité du service de retrait
Récipient monté sur une remorque d'amphénol. MS75021-1, numéros alternatifs 2HA24, 7525173, 60-036028-51P. Nsn 5935008463883.
INSTRUCTIONS DE CÂBLAGE:
Informations de câblage de véhicules militaires standard (les lettres sont marquées à côté des contacts de connecteur)
A, C, H - Blackout queue de queue et lumières de dégagement d'électricité (les trois broches sont connectées électriquement ensemble dans le harnais de câblage du véhicule)
B - feu de freinage et lumière du virage à gauche
D - sol
E - Feux de queue / lumières de dégagement
F - feu de frein d'électricité
J - lumière de freinage et lumière du virage à droite
K - alimentation auxiliaires utilisée sur un semi-tracteur uniquement
L, m, n - non utilisé

