Federal Military Parts (763) 310-9340
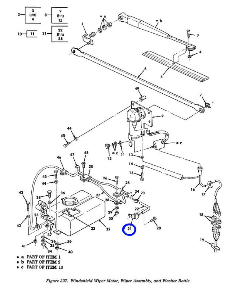
HMMWV Windshield Washer Nozzle, Black, Fit For HUMVEE 12338846
Обычная цена
3.800 DJF
Обычная цена
Цена со скидкой
3.800 DJF
Цена за единицу
за
Стоимость доставки рассчитывается при оформлении заказа.
Не удалось загрузить сведения о доступности самовывоза
Humvee Windshield Washer Nozzle 12338846,
2540-01-184-5503
Fits all models of military Humvees

